| |
 |
| |
| BAY51-Q 系列防爆防腐全塑荧光灯(II C) |
|
| |
| |
|
| |
| |
|
| |
● 1、2区危险场所
● IIA、IIB、IIC类爆炸性气体环境
● 配装光源、单极瞬时启动灯管:2×20W、1×40W、2×40W、3×40W |
| |
|
| |
● 外壳采用SMC模压成形,强度高、耐冲击
● 灯罩采用聚碳酸酯注射成形,透光率高、并能承受强撞击
● 外壳采用密封式结构,具有防水、防尘、防腐蚀等优良功能
● 内装镇流器等元件均为防爆元件
● 整灯cos∮≥0.85,具有良好的节能效果
● 灯管为单极快速瞬时启动灯管
● 可根据用户要求配装应急装置,当外界断电时,灯具自动切换到应急照明状态 |
|
| |
|
| |
|
防爆标志 |
额定电压(V) |
防护等级 |
电缆外径(∮,mm) |
进线口螺纹(G") |
防腐等级 |
|
Exd II CT 6 |
220 |
IP65 |
10~14 |
3/4 |
WF2 |
|
| |
|
| |
配用光源 |
2×20W |
1×40W |
2×40W |
3×40W |
壳体类别 |
I |
II |
III |
IV |
|
| |
|
| |
应急起动时间 |
充电时间(h) |
应急照明时间(min) |
0.3 |
24 |
60 |
|
| |
|
| |
| |
| |
|
| |
|
| |
|
| |
|
| |
|
型号 |
A |
B |
C |
D |
|
BAY51Q-20×2 |
548 |
730 |
138 |
210 |
|
BAY51Q-40×1 |
800 |
1333 |
138 |
130 |
|
BAY51Q-40×2 |
800 |
1333 |
138 |
190 |
|
BAY51Q-40×3 |
800 |
1333 |
138 |
225 |
|
| |
|
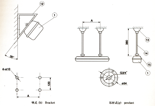
序号 |
名称 |
备注 |
序号 |
名称 |
备注 |
|
1 |
灯具 |
|
12 |
安装架 |
|
|
2 |
安装架 |
|
13 |
吸盘 |
|
|
3 |
管夹 |
|
14 |
钢管 |
3/4" |
|
4 |
弯管 |
11/4" |
15 |
联轴器 |
3/4" |
|
5 |
异径接头 |
|
16 |
固定板 |
|
|
6 |
管子 |
11/2" |
17 |
安装架 |
|
|
7 |
活接头 |
|
18 |
吊环螺钉 |
|
|
8 |
分线盒 |
用户自备 |
19 |
挂钩 |
|
|
9 |
U型管夹 |
用户自备 |
20 |
链条 |
|
|
10 |
挠性连接管 |
用户自备 |
21 |
挂钩 |
|
|
11 |
管子 |
|
22 |
|
|
|