首 页 公司招聘 企业名录 企业之窗 联系我们
欢 迎 选 购  !
 
 
 BZM-10 系列防爆照明开关(IIB)
 
 
 
 适用范围
 

1区、2区危险场所

IIA、IIB类爆炸性气体环境

 
 产品特点
 

铸铝合金外壳,表面喷塑。

增安型外壳,内部元件采用隔爆型开关。

产品具有防水、防尘等特点

钢管或电缆布线均可

 
 主要技术参数
 
额定电压(V)
额定电流(A)
防护等级
防爆标志
进线口螺纹(G")
电缆外径(∮,mm)
质量(Kg)
220
10
IP55
Exed II BT6
3/4
10-14
0.8
 
 
 
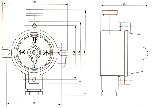
 外形及安装举例
 
 
返回页首
公司简介 | 人才招聘 | 联系方法 | 请您留言 | 友情链接 | ENGLISH
销售电话:0755-25887166 25887521 传真:0755-25887232
中国燃气设备网 ccgas.net 2000. 版权所有 深圳亚威华公司
如您有任何意见或建议请联络网站管理员:ywh1995@126.com