首 页 公司招聘 企业名录 企业之窗 联系我们
欢 迎 选 购  !
 
 
 BZZ51 系列防爆转换开关(IIB、IIC)
 
 
 
 适用范围
 

1区、2区危险场所

IIA、IIB、IIC类爆炸性气体环境

* 要求IIC类请注明

 
 产品特点
 

铸铝合金外壳,表面喷塑。

内装转换开关,用于电流60A以下的电气线路中,作为电源引入开关,并可控制电动机起动、变速、停止、换向等。

钢管或电缆布线均可

 
 主要技术参数
 
产品型号
额定电压(V)
额定电流(A)
防爆标志
电缆外径(∮,mm)
BZZ51-10/□
220/380
10

Exed II BT6
*Exde II CT6

10-14
18-22
BZZ51-25/□
25
BZZ51-60/□
60
 
 
 
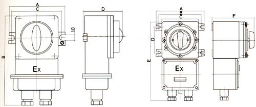
 外形及安装举例
 
 
 
型号
A
B
C
D
备注
BZZ51-10/□
132
215
115
98
IIB
BZZ51-25/□
185
240
160
130
BZZ51-60/□
224
372
192
165
 
型号
A
B
C
D
E
F
备注
BZZ51-10/□
153
132
110
-
230
114
IIC
BZZ51-25/□
214
190
164
113
360
186
BZZ51-60/□
330
308
210
190
450
176
返回页首
公司简介 | 人才招聘 | 联系方法 | 请您留言 | 友情链接 | ENGLISH
销售电话:0755-25887166 25887521 传真:0755-25887232
中国燃气设备网 ccgas.net 2000. 版权所有 深圳亚威华公司
如您有任何意见或建议请联络网站管理员:ywh1995@126.com