首 页 公司招聘 企业名录 企业之窗 联系我们
欢 迎 选 购  !
 
 
 BQD53 系列防爆电磁起动器(IIB)
 
 
 
 适用范围
 

1区、2区危险场所

IIA、IIB类爆炸性气体环境

 
 产品特点
 

铸铝合金外壳,表面喷塑。

内装交流接触器,热继电器,自复位万能转换开关等。

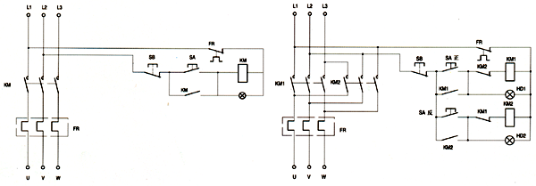
可控制交流50Hz,380V三相异步电动机的直接起动停止,并具有过载和断相及失压保护。

钢管或电缆布线均可

 
 主要技术参数
 
 
产品型号
额定电压
(V)
额定电流
(A)
控制电动机
最大功率(KW)
继电器整定电流
调节范围(A)
出线口螺纹
(G")
电缆外径
(∮,mm)
防爆标志
BQD53-12/□
380
12
5.5
0.25~0.40 0.40~0.63
0.63~1 1~1.6
1.6~2.5 2.5~4
4~6 5.5~8
7~10 9~13
12~18 17~25
23~32 30~40
37~50 48~65
55~70 63~80
80~93
1
12-17
Exde II BT6
BQD53-16/□
16
7.5
BQD53-25/□
25
11
BQD53-32/□
32
15
Exd II BT6
BQD53-40/□
40
18.5
BQD53-50/□
50
22
BQD53-63/□
63
30
11/2
22-26
BQD53-80/□
80
37
BQD53-95/□
95
45
BQD53-12/□N
12
5.5
1
12-17
BQD53-16/□N
16
7.5
BQD53-25/□N
25
11
BQD53-32/□N
32
15
11/2
22-26
BQD53-40/□N
40
18.5
 
 
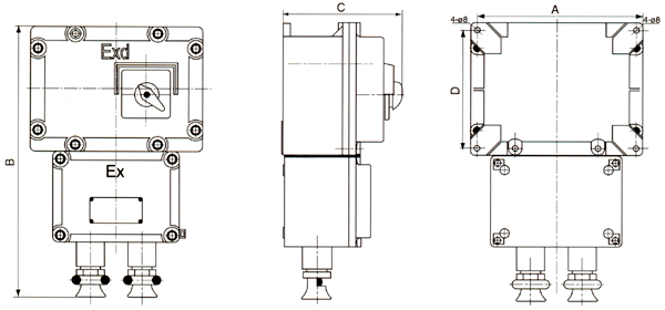
 外形及安装举例
 
 
 
 
型号
A
B
C
D
BQD53-32/40/50
280
425
250
168
BQD53-63/80/95
350
544
215
230
 
返回页首
公司简介 | 人才招聘 | 联系方法 | 请您留言 | 友情链接 | ENGLISH
销售电话:0755-25887166 25887521 传真:0755-25887232
中国燃气设备网 ccgas.net 2000. 版权所有 深圳亚威华公司
如您有任何意见或建议请联络网站管理员:ywh1995@126.com