首 页 公司招聘 企业名录 企业之窗 联系我们
欢 迎 选 购  !
 
 
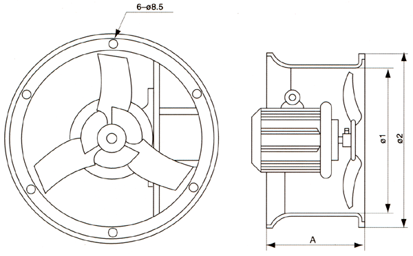
 BAF 系列防爆轴流风机(IIB)
 
 
 
 适用范围
 

1区、2区危险场所

IIA、IIB类爆炸性气体环境

 
 产品特点
 

防爆轴流风机由防爆电机、叶片、风筒等部件组成。

钢管或电缆布线均可。

 
 主要技术参数
 
 
产品型号
防爆标志
出线口螺纹
(G")
叶轮直径
(mm)
功率
(kW)
主轴转数
(r/min)
风量
(m3/h)
电缆外径
(∮,mm)
额定电压
(V)
质量
(Kg)
BAF-300
Exd II BT4
3/4
0.25
300
1450
2280
10-14
380
220
16
BAF-400
0.37
400
2880
19
BAF-500
0.55
500
5900
23
BAF-600
0.75
600
8700
28
 
 
返回页首
公司简介 | 人才招聘 | 联系方法 | 请您留言 | 友情链接 | ENGLISH
销售电话:0755-25887166 25887521 传真:0755-25887232
中国燃气设备网 ccgas.net 2000. 版权所有 深圳亚威华公司
如您有任何意见或建议请联络网站管理员:ywh1995@126.com