首 页 公司招聘 企业名录 企业之窗 联系我们
欢 迎 选 购  !
 
 
 BAT52 系列防爆泛光灯(II B)
 
 
 
 
 适用范围
 

1区、2区危险场所

IIA、IIB类爆炸性气体环境

可配装汞灯、高压钠灯、金卤灯

 
 产品特点
 

铸铝合金外壳,表面喷塑

灯体可在水平安装或壁式安装,仰角在45°~90°内可调

采用桔纹漫反射板,使光线柔和县且照射角大。

电缆布线

 
 主要技术参数
 
防爆标志
防护等级
电缆外径(∮,mm)
进线口螺纹(G")
灯座代号
质量(Kg)
Exd II BT 3
IP55
10~14
3/4
E40
19
 
 
 配有光源
 
光源类型
自镇汞灯
高压汞灯
高压钠灯
金卤灯
额定电压(V)
220
额定功率(W)
250
175
150
175
250
250
250
450
400
400
400
 
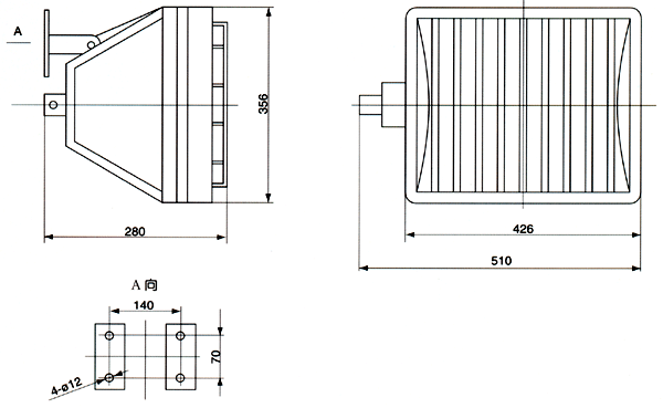
 外形及安装举例
 
 
 
 
 
返回页首
公司简介 | 人才招聘 | 联系方法 | 请您留言 | 友情链接 | ENGLISH
销售电话:0755-25887166 25887521 传真:0755-25887232
中国燃气设备网 ccgas.net 2000. 版权所有 深圳亚威华公司
如您有任何意见或建议请联络网站管理员:ywh1995@126.com