中国燃气设备网
  首 页 公司招聘 企业名录 企业之窗 联系我们
优 质、 服 务 、信 用 !经营单位:深圳亚威华公司 销售部电话:0755-25887166,25887236 传真:25887232

  

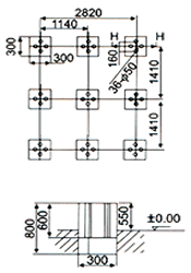
LNG空温式汽化器几技术参数

 

LNG空温式汽化器

 

    LNG空温式汽化器是LNG使用过程中
      使LNG由液态变成气态的关键设备


    产品特点:

    1.选用优质型材制造,产品寿命长
    2.在设计制造时预留换热余量延长了
      换热器的切换时间

 


LNG空温式汽化器

 


空温式汽化器参数

  空温式汽化器技术参数


  3000mЗ空温式汽化器技术参数
  计算流量: 3000mЗ/h
  工作温度:162℃
  设计温度:196℃
  环境温度:2.5℃
  出口温度:10℃
  工作压力:0.5MPa
  设计压力:1.6MPa
  铝翅片材质:LF21
  翅片管壁厚:3.5~4mm

 

 

 




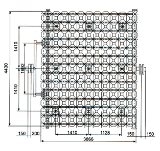
  空温式汽化器技术参数


  4500mЗ空温式汽化器技术参数
  计算流量: 4500mЗ
  工作温度:162℃
  设计温度:196℃
  环境温度:2.5℃
  出口温度:10℃
  工作压力:0.5MPa
  设计压力:1.6MPa
  铝翅片材质:LF21
  翅片管壁厚:3.5~4mm

公司简介 | 人才招聘 | 联系方法 | 请您留言 | 友情链接 | ENGLISH
销售部:0755-25887166 / 236 / 548 / 521 / 237
中国燃气设备网 ccgas.net 2000.版权所有 深圳亚威华公司
如您有任何意见或建议请联络网站管理员: ywh1995@126.com