中国燃气设备网
  首 页 公司招聘 企业名录 企业之窗 联系我们
优 质、 服 务 、信 用 !经营单位:深圳亚威华公司 销售部电话:0755-25887166,25887236 传真:25887232
 
 
 
 说明
 

  GENTEC R77 系列膜片式背压阀,其结构设计和制造选用优质原材料,用于调节上游压力,压力控制精确,适用于特种气体,腐蚀性气体等

母体:黄铜,316L,Monel®
膜片与母体采用硬密封形式
母体螺纹:1/4"NPT(F)
最大调节压力:250 psig Cv值:0.08
适用范围:
流程控制
石油化学工业
气体分析
实验室 >
压力等级
符合ANSI/ASME B31.3 标准
洁净处理依ASTM-G93和CGA 4.1标准
如使用氧气系统需特别注明

 
     
 

使用性能
调节压力: 0-25, 0-50, 0-100, 0-250 psig
安全压力:1.5 倍的最大调节压力
适用温度: -40oF 至165oF(-40oC 至74oC)
内 泄 漏: 2 x10-8 atm cc/sec He
Cv 值:0.08
材质(与介质接触部分)
母体:黄铜,316L ,Monel®
阀座:PCTFE ,Teflon®
膜片:316L
重量0.9kg (2lbs)
说 明

适用气体
依材料特性而定

 
     
 
 流量特性曲线图
 
 
 组装图
 
 
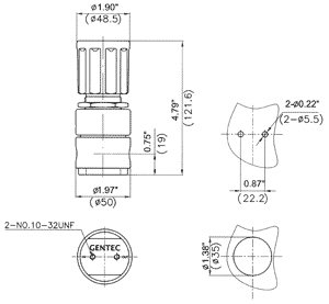
 安装尺寸
 
 
 母体孔位置
 
 
 定购指南
 
 
 
公司简介 | 人才招聘 | 联系方法 | 请您留言 | 友情链接 | ENGLISH
销售部:0755-25887166 / 236 / 548 / 521 / 237
中国燃气设备网 ccgas.net 2000.版权所有 深圳亚威华公司
如您有任何意见或建议请联络网站管理员: ywh1995@126.com