中国燃气设备网
  首 页 公司招聘 企业名录 企业之窗 联系我们
优 质、 服 务 、信 用 !经营单位:深圳亚威华公司 销售部电话:0755-25887166,25887236 传真:25887232
 
 
 
 说明
 

  GENTEC R66 系列膜片式减压器,其设计和制造选用优质原材料,输出压力稳定,适用于大流量输出需求的场合。

单级式减压结构
母体:黄铜,316L
母体螺纹:压力表接口1/4 NPT(F) 进出气接口1" NPT(F)
输入压力:500 psig
Cv值:5.2

 
     
 

说 明
适用气体
请在订购时,注明使用气体
压力等级
符合ANSI/ASME B31.3 标准
使用性能
输出压力:0-25, 0-50, 0-100, 0-125, 0-250 psig
安全压力:1.5 倍的最大输出压力
适用温度:-10oF 至250oF(-23oC 至121oC)
泄 漏 率:泡沫测试
Cv 值:5.2
材质(与介质接触部分)
母体:黄铜,316L
阀座:丁晴橡胶
膜片:丁晴橡胶(内衬尼龙)
重量 6kg (13.2lbs)

 
     
 
 流量特性曲线图
 
 
 组装图
 
 
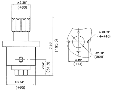
 安装尺寸
 
 
 母体孔位置
 
 
 定购指南
 
 
 
公司简介 | 人才招聘 | 联系方法 | 请您留言 | 友情链接 | ENGLISH
销售部:0755-25887166 / 236 / 548 / 521 / 237
中国燃气设备网 ccgas.net 2000.版权所有 深圳亚威华公司
如您有任何意见或建议请联络网站管理员: ywh1995@126.com