中国燃气设备网
  首 页 公司招聘 企业名录 企业之窗 联系我们
优 质、 服 务 、信 用 !经营单位:深圳亚威华公司 销售部电话:0755-25887166,25887236 传真:25887232
 
 
 
 说明
 

  GENTEC R21 系列膜片式减压器,其结构设计和制造选用优质的原材料,输出压力稳定,特别适用于气体分析仪器、各种高纯气体、腐蚀性气体及有毒气体

单级式减压结构
母体:黄铜,316L,Hastelloy®,Monel®
膜片与母体采用硬密封形式
母体螺纹:1/4"NPT(F)
输入压力:500,3000,4000 psig
Cv值:0.14(输入压力500 psig)0.08(输入压力3000,4000 psig)
适用范围:

腐蚀性气体、特种气体
实验室
气相分析
测试仪表
石油化学工业
气体控制箱
吹扫系统
说 明
适用气体
依材料特性而定

 
     
 


压力等级
符合ANSI/ASME B31.3 标准
洁净处理
依ASTM-G93和CGA 4.1标准
如使用氧气系统需特别注明
使用性能
输出压力: 0-25,0-50,0-100,0-250,0-500 psig
安全压力:1.5 倍的最大输出压力
适用温度:-40oF至 165oF(-40oC 至74oC)
内 泄 漏:2 x10-8 atm cc/sec He
Cv 值:0.14,0.08
材质(与介质接触部分)
母体:黄铜,316L,Hastelloy®,Monel®
阀座:PCTFE,Teflon®,Vespel®
膜片:316L,Hastelloy®
重量:0.9kg (2.0lbs)

 
     
 
 流量特性曲线图一
 
 
 流量特性曲线图二
 
 
 组装图
 
 
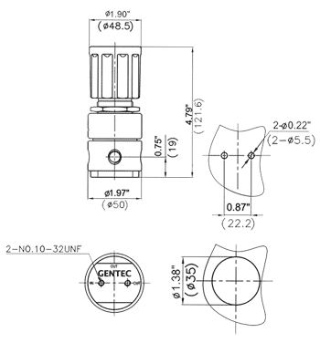
 安装尺寸
 
 
 母体孔位置
 
 
 定购指南
 
 
 
公司简介 | 人才招聘 | 联系方法 | 请您留言 | 友情链接 | ENGLISH
销售部:0755-25887166 / 236 / 548 / 521 / 237
中国燃气设备网 ccgas.net 2000.版权所有 深圳亚威华公司
如您有任何意见或建议请联络网站管理员: ywh1995@126.com