中国燃气设备网
  首 页 公司招聘 企业名录 企业之窗 联系我们
优 质、 服 务 、信 用 !经营单位:深圳亚威华公司 销售部电话:0755-25887166,25887236 传真:25887232
 
 
 
 说明
 

  GENTEC R12膜片式减压器采用优质的原材料设计和制造,适用于实验室、制药、化工等

母体:黄铜,303,316L
膜片:316L
膜片与母体采用硬密封形式
母体螺纹:1/4"NPT (F)
输入压力:3000,1500,500 psig
2"压力表
Cv值:0.15

 
     
 

适用范围:
腐蚀性气体、特种气体
气相分析
气体汇流排
实验室
测试仪表
石油化学工业
说 明
适用气体
依材料的特性而定
压力等级
符合ANSI/ASME B31.3 标准
洁净处理
依ASTM-G93和CGA 4.1标准
如使用氧气系统需特别注明
使用性能
输出压力: 0-15,0-25,0-50,0-100,0-250 psig
安全压力:1.5 倍的最大输出压力
适用温度:-40oF至 165oF(-40oC至74oC)
内 泄 漏:2 x10-8 atm cc/sec He
Cv 值:0.15
材质(与介质接触部分)
母体:黄铜,303 ,316L
阀座:PCTFE,Teflon®
膜片:316L
重量:1.5kg (3.3lbs)

 
     
 
 流量特性曲线图一
 
 
 流量特性曲线图二
 
 
 组装图
 
 
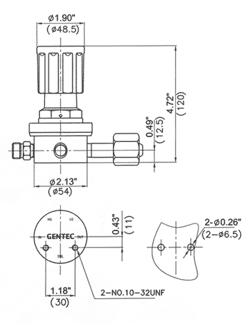
 安装尺寸
 
 
 母体孔位置
 
 
 定购指南
 
 
 
公司简介 | 人才招聘 | 联系方法 | 请您留言 | 友情链接 | ENGLISH
销售部:0755-25887166 / 236 / 548 / 521 / 237
中国燃气设备网 ccgas.net 2000.版权所有 深圳亚威华公司
如您有任何意见或建议请联络网站管理员: ywh1995@126.com