| |
 |
| |
|
|
|
| |
● 2/2通 NO 直动式 G1/8-G1/2
应用范围
用于工业领域里的调节和计量
--- 灌溉设备
--- 消防设备
--- 啤酒厂
--- 采暖系统
--- 涂漆设备
--- 测量仪器
--- 公共卫生系统
--- 环保设备
--- 洗涤设备
--- 洗选车间
--- 水处理系统
|
|
|
| |
|
| |
公称内径 |
1-6毫米 |
压力 |
0-90巴 |
环境温度 |
-10℃~+35℃ |
介质 |
中性气体和液体介质 |
粘度 |
22mm2/s |
阀体 |
黄铜和不锈钢 |
阀内零件 |
黄铜和不锈钢 |
短路环 |
铜 |
密封件 |
氟化橡胶、乙丙稀 |
安装方式 |
可任何方式 |
重量 |
见表 |
|
| |
|
| |
|
| |
额定电压 |
AC:24,42,110,230V,50/60Hz
DC:24,110,205,214V |
电压公差 |
-10%~+5% |
功率消耗 |
AC-配整流器
DC-25W |
接通时间 |
100%ED |
绝缘等级 |
H180 |
保护等级 |
IP 65(根据德国标准DIN40050) |
电源连接 |
仪器插头(德国标准DIN43650) |
|
| |
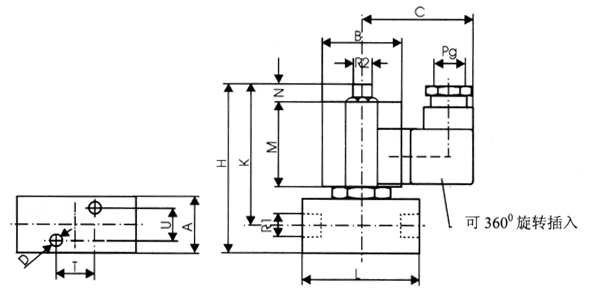
R1 |
G1/8 |
G1/4 |
G3/8 |
G1/2 |
R2 |
G1/8 |
G1/8 |
G1/8 |
G1/8 |
A |
25 |
25 |
30 |
30 |
B |
35×32 |
35×32 |
35×32 |
35×32 |
C |
58 |
58 |
58 |
58 |
D |
M6 |
M6 |
M6 |
M6 |
H |
80 |
80 |
85 |
90 |
K |
67.5 |
67.5 |
70 |
70 |
L |
40 |
50 |
50 |
60 |
M |
40 |
40 |
40 |
40 |
N |
10 |
10 |
10 |
10 |
T |
15.5 |
15.5 |
15.5 |
15.5 |
U |
15.5 |
15.5 |
15.5 |
15.5 |
Pg |
11 |
11 |
11 |
11 |
重量(克) |
550 |
600 |
650 |
750 |
|
| |
| |