| |
|
| |
|
| |
| |
|
|
| |
一,工作原理:
气化器中设有换热列管束,管束中的循环热水将热量转递给管束外的
液化石油气,液化石油气吸热气化并过热,经过滤网除去重组分后输
入管网。温水通常由热水锅炉,热水泵及高位水箱组成的热水循环系
统提供,问水的温度由热水炉的自动控制在用户设置的范围中(通常
75摄氏度)。在汽化器工作时,无论水温高低,热水泵始终应保持开 启状态以保证水路的循环状态。
二、技术特点:
★换热器由天津市技监局锅炉压力容器检验所监制。
★防爆电气由化工部电气仪表防爆质量检测中心监测。
★设有安全连锁防护防止过液。
★比同类产品更大的换热面积可使气化器在较低的温度下工作,缓缓
气化器的结焦速度。
★设有四重安全连锁防护防止过液。
★内置高效不锈钢过滤网及排污装置。
★现场有液化气液面,压力用蒸汽压力,水温的直观显示。
|
|
| |
|
| |
|
| |
| |
|
|
气化能力 500-8000Kg/h
电磁阀开启温度 60℃可调
工作水温度 65--75℃
气化出口温度 ≥35℃
设计压力 1.8 MPa
安全阀起跳压力 1.76 MPa
|
安全连锁点 循环水水流中断
循环水回水温度低限
液化气液位高限
液化气出气温度低限
报警方式 声光双报警
控制电源 220V/50Hz 500W |
| |
|
|
| |
|
| |
| |
|
| |
| |
A |
B |
C |
D |
E |
F |
G |
H |
I |
J |
K |
M |
P |
Q |
YWP-1000 |
516 |
660 |
245 |
430 |
220 |
335 |
465 |
580 |
113 |
293 |
2103 |
200 |
680 |
615 |
YWP-1500 |
620 |
760 |
235 |
605 |
420 |
349 |
577 |
792 |
105 |
306 |
2302 |
200 |
795 |
715 |
YWP-2000 |
670 |
790 |
270 |
50 |
320 |
457 |
659 |
839 |
100 |
405 |
2155 |
205 |
845 |
765 |
YWP-2500 |
720 |
860 |
325 |
100 |
300 |
424 |
680 |
917 |
122 |
348 |
2505 |
200 |
885 |
815 |
YWP-3000 |
824 |
960 |
315 |
65 |
300 |
566 |
833 |
1060 |
106 |
446 |
2527 |
200 |
985 |
915 |
|
| |
| |
|
| |
|
符号 |
连接尺寸标准 |
连接面型式 |
标准 |
名称或用途 |
YWP-1000 |
YWP-1500 |
YWP-2000 |
YWP-2500 |
YWP-3000 |
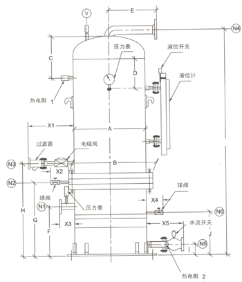
N1 |
PL50-1.0 |
PL65-1.0 |
PL65-0.1 |
PL80-0.1 |
PL80-0.1 |
R.F |
HG20592 |
水入口 |
N2 |
Rc3/4 |
Rc3/4 |
Rc3/4 |
Rc3/4 |
Rc3/4 |
内螺纹 |
- |
排污口 |
N3 |
WN25-2.5 |
WN25-2.5 |
WN40-2.5 |
WN40-2.5 |
WN40-2.5 |
R.F |
HG20592 |
液态气入口 |
N4 |
WN50-2.5 |
WN65-2.5 |
WN80-2.5 |
WN80-2.5 |
WN80-2.5 |
R.F |
HG20592 |
气化气出口 |
N5 |
PL50-1.0 |
PL65-1.0 |
PL80-1.0 |
PL80-1.0 |
PL80-1.0 |
R.F |
HG20592 |
水出口 |
N6 |
Rc3/4 |
Rc3/4 |
Rc3/4 |
Rc3/4 |
Rc3/4 |
内螺纹 |
- |
防水口 |
V |
Rc3/4 |
Rc3/4 |
Rc1 |
Rc1 |
Rc1 |
内螺纹 |
- |
安全阀门 |
|
| |
|
|
|
| |
设备型号 |
规格尺寸(mm) |
热水循环量 (T/H) |
A |
B |
C |
D |
E |
F |
G |
YWP-1000 |
880 |
880 |
615 |
435 |
150 |
100 |
516 |
11 |
YWP-1500 |
995 |
995 |
715 |
500 |
150 |
100 |
620 |
16.5 |
YWP-2000 |
1045 |
1045 |
765 |
540 |
150 |
100 |
670 |
22 |
YEP-2500 |
1100 |
1100 |
816 |
580 |
200 |
150 |
720 |
27.5 |
YEP-3000 |
1200 |
1200 |
916 |
650 |
200 |
150 |
824 |
33 |
|
|
|
| |