首 页 公司招聘 企业名录 企业之窗 联系我们
优 质、 服 务 、信 用 !经营单位:深圳亚威华实业有限公司 销售部电话:0755-25887166 传真:25887232
 
 
  用途
 
     
  ◆ 二氧化碳充瓶
◆ 氧化氮充瓶
◆卤化物工况
 
     
 
  特点
 
     
  ◆ 浮动活塞延长了密封的使用寿命
◆ 碳化钨涂层的活塞延长了密封的使用寿命
◆ 简洁的冷端组件设计,便于维护保养
◆ 高强负荷脂润滑驱动端寿命更长,维护更简便
◆ 密封填料调节简单易行,处长了填料寿命
 
     
 
  可输送介质
 
     
  ◆ 二氧化碳、氧化物、卤化物
 
     
 
 
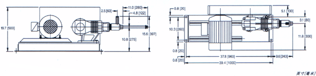
  尺寸
 
 
  供货范围
 
     
  ◆ 冷端、脂润滑驱动端和电机
◆ 镀锌钢板和皮带防护罩
◆ 防喘振腔和安全阀
◆ 进口过滤器
◆ 控制箱
 
     
 
  可选辅件
 
     
  ◆ 汇流管
◆ 进口软管
◆ 配电板
 
     
 
  泵的特性曲线图
 
 
返回页首
公司简介 | 人才招聘 | 联系方法 | 请您留言 | 友情链接 | ENGLISH
销售电话:0755-25887166 25887521 传真:0755-25887232
中国燃气设备网 ccgas.net 2000. 版权所有 深圳亚威华公司
如您有任何意见或建议请联络网站管理员:ywh1995@126.com