| |
|
|
|
| |
| |
|
|
| |
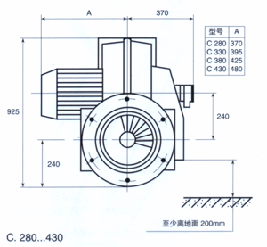
燃烧器C.280到C.430适用于"中等功率":设备上。
这是CENOD贵诺燃烧器在民用和工业领域大功率燃烧器经验和技术的应用。
这是CUENOD贵诺燃烧器在民用和工业领域大功率燃烧器经验和技术的应用。
CUENOD贵诺在这一领域已经研发了1800-5000kW功率范围的燃烧器。
所有燃烧器均按照最新科技设计生产制造,保证了最新工艺性能。 |
|
| |
|
|
|
|
 |
|
| |
|
| |
| |
|
|
| |
多功能组合设计,先进的燃烧头技术和燃烧头设定记忆系统(RTC®)确保:
★ 完全可拆卸,维修简便快捷。
★ 不需拆卸燃烧器,只需一个步骤便可以拆下燃烧头所有部件(短、中和长火管)。
★ 维护调整时,能够记忆所有最佳设定值。
★ 清理方便。
★ 采用标准螺钉和连接件,减少维护所需时间。
|
|
| |
|
|
|
|
 |
|
| |
|
| |
| |
|
|
| |
C.200-430H 燃烧器有两级或三级运行模式。
该燃烧器配有伺服电机,在燃烧器控制停机时,风门完全关闭。
每台燃烧器都符合NFE 31-302标准。
C.285 H 1800-2850kW
最小,第1级:1200kW
C.330 H 2100-3700kW
最小,第1级:1400kW
C.380 H 2400-4200kW
最小,第1级:1600kW
C.430 G 2800-5000kW
最小,第1级:1900kW
特点:
电控完全关闭的风门挡板伺服电机(30秒90。C)
程控器LAL 1.25
火焰监测:光敏电阻电眼
电机:2800转/分钟
C.200:3kW
C.280:3kW
C.380:5.5kW
C.430:11kW
齿轮油泵
大约重量:100到315kg
|
|
| |
|
|
|
|
 |
|
| |
|
| |
|
| |
|
| |
|
| |
| |
|
|
| |
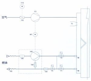
油路连接 |
|
| |
燃油可直接从油箱通过双油管系统或者经过输送回路供到油泵,供油管路油压不得超过2bar。
燃烧器接上两根软油管和接头,以保证能接在任意角度的进没管上。
管道必须经过泄漏检测,右侧表显示油管直径。
★ 直接进油:根据长度L和进油高度H选择相应的管路。长度L包括一个手阀,一个单向阀和四个弯头。
★ 供油加路进油:连接管直径必须等于或大于1/2G"连接头内径。
无论采用何种安装方法,必须在管路安装一个手阀。 |
|
| |
|
|
|
|
 |
|
| |
 |
|
| 举例: |
计算燃烧器耗油量
已知锅炉功率(O)和热效率(E),以下公式用来计算燃烧器功率: |
|
Ob:燃烧器功率kW
O:锅炉功率kW
E:锅炉热效率(%) |
|
|
| 耗油量计算: |
| 计算燃烧器耗油量 |
|
Qb:燃烧器耗油量kg/h
燃油热值NVC:12kWh/kg
燃油粘度供低于6.5cSt:
安装请务必按照当地法规和CTU65-4相关法规条例进行。 |
|
|
| |
|
| |
| |
|
|
| |
该燃烧器分两个包装发运,包括:
★ 燃烧器机身:
-组合电控柜
-说明
-电路图和系统图
-锅炉说明
-质量保证书
★ 燃烧头带铰接栓,一套紧固件
-两根带接头的软油管
-油泵和喷嘴杆之间的两根连接管
★ 和燃烧头一起发运的2个喷嘴。 |
|
| |
|
|
|
|
 |
M1 燃烧器电机
T1 点火变压器
Y1 一级火电磁阀
T2 二级火电磁阀
Y5 旁路阀
Y10 伺服电机
101 风机
102 油泵
103 风门挡板
104 压力调节
105 软油管
106 过滤器
118 喷嘴 |
|
| |
|
| |
| |
|
|
| |
电气系统安装必须符合NF C 15,100标准和其他现行标准和规。
特别注意的是燃烧器的电源主开关必须能够满足总电量的要求,在维修关断时,必须完全绝缘。
★ 电路连接
-控制回路:
电源接至端子N(中线)和L1(相线)之间,这安全起见,当使用230V三相电源时,如果没有中线或中线有阻抗,必须使用绝缘变压器和30mA的差动电路断路器。
该回路必须使用10A保险丝。
-动力回路:
L1,L2和l3端子该回路必须使用AM保险丝保护。
★ 控制回路连接(调整前)见“控制电路接线图”
适合各种燃烧器和调节方式。
|
|
| |
|
|
|
|
 |
 |
| 燃烧器 |
C.280 |
C. 330 |
C. 380 |
C. 430 |
| 电机 |
电机功率kW |
3 |
4 |
5.5 |
11 |
| 风机 |
保险丝A |
400V |
10 |
16 |
16 |
25 |
| 230V |
16 |
20 |
25 |
40 |
|
|
|
| |
燃烧器控制装置 |
|
| |
 |
1 点火变压器
4 启动负荷
5 最小负荷
6 最大负荷
积时器:
上:总运动时间
下:最大总运动时间 |
|
| |
| |
|
| |
| |
|
|
| |
三级式功率调节,其中一级用来点火。
可调整为:
★“满负荷”或“关”:当功率增大时,负荷按三级逐渐增加,避免了频繁启动带来的冲击。
★“满负荷”或“低负荷”:当负荷功率很小时,低负荷运行可以减少能量损失。 |
|
| |
|
|
|
| |
| |
|
| |
| |
|
|
| |
★ 采用温度或者压力开关:
采用3线控制接触器控制“满负荷”和“低负荷”。
注意:端子11和12用来控制“满负荷”和“关”。
★ 使用电子负荷调节器
可选择安装带标记电缆的负荷控制器。
可安装在电控柜面板的右侧安装位中。 |
|
| |
|
|
|
| |
|
|
|
|
| |
|
| |
 |
|
| |
|
|
| |
电控柜说明:
该电控柜适用于CUENOD贵诺单体或分体中高功率燃烧器上。可以远程控制动行,该电控柜极好适应各种加热设备,设计简便,可操作性和可视性极佳。
所有燃烧器提供标准远程控制系统。可选择安装远程信息设备。
电气端子排
-左侧:
内部排线
-中间:
(红色端子)
低压电气连接,控制等。
-右侧:
外部接线
三相电源3*400V或3*240V
|
|
| |
|
|
|
|
| |
| |
|
|
|
|
| |
标准供货
★ IP44电控柜
-500*500*250
★ 程控器
★ 电机接触器
★ 自动动行开关
★ 控制面板和现场指示装置
★ 远程控制接线
★ 电子负荷调节器接线
★ 积时器(见前页)
★ 远程控制预在燃烧器上预先串连接线,
可用来控制燃烧器开和关
|
|
选择件:
★ 电子负荷调节器:
带预先接好的电缆和安装于控制面板
右侧的连杆和螺钉。
★ 拆卸下控制面板:
用于远程信号的单柱两位开关的4个开关端子。
特殊用途:
请向我们咨询
|
|
| |
|
|
|
|
|
| |