| |
|
| |
|
| |
|
| |
| |
|
|
|
|
| |
节能的创新技术
在日益严格的节能市场的需求下,CUENOD贵诺燃烧集她多年的经验研发了上代节能产品。
CuenothermC系列燃气燃烧器采用最新科技研制出高效率,运行宁静安全,环保节能的背后一代产品。 |
|
新一代CuenothermC系列高品质燃烧器在研发阶段运用了一系列的先进的技术;精密的加工制造,配件的精挑细选,认真的装配,严格的测试和无故障排查程序保证了产品的完美性能。
|
|
| |
|
|
|
|
|
| |
|
| |
 |
|
| |
|
|
|
|
| |
高效的送风和吸风系统保证了良好的燃烧效果,降低了运行噪音。
CUENOD贵诺经过了大量空气动力实验,研发出空气再喷射系统。
该燃烧器应用类似于汽车动力学中的“turbo”技术,在空气的出风口处获得能量,并再次送入吸风系统,这样就提高了送风的风压。
这种组合了空气再次喷射系统,新一代贵诺燃烧元件,调节装置和精良的 |
|
加工,制造出出色的设备:
★热效率超过92%
★消除了震动和波动
★减少了启动进的突震和加快了火焰的稳定
★增强了燃烧器的预调性
★增强了燃烧器的预调性
另外,该燃烧器在停机时,风门挡板关闭,防止冷风吸入炉膛。所有挡板CuenothermC系列两级式燃烧器都具备这一功能。 |
|
| |
|
|
|
|
|
|
|
|
| |
| |
|
|
| |
宽广的适用范围,适用新的或已有锅炉
不同的贵诺CuenothermC系列燃烧器适用于新的或已有的锅炉。
贵诺Cuenotherm系列燃烧机采用最新工艺和安全标准设计制造,并且合理利用能量,在不降低舒适性的前提下降低能耗,是您理想的产品选择。 |
|
| |
|
|
|
|
 |
|
| |
|
| |
|
| |
| |
|
|
|
|
| |
一般的燃烧器无法满足高标准无故障的运行,只有这种两级式燃烧器适用于这种高品质的发热设备。
该两级式燃烧器确保:
★ 即时点
★ 火满中安装方的功率要求,
|
|
★ 最小的烟气阻力,
★ 合理利用能量,
★ 运行非常宁静。
贵诺Cuenotherm两级式燃烧器安装有3个位置的风门伺服电机,第一级,第二级和燃烧停机时的风门关闭位置。
|
|
| |
|
|
|
|
|
| |
|
|
|
| |
| |
|
|
| |
★ 该燃烧器通过一个夹紧法兰安装于锅炉前面板,适合新锅炉和已有的锅炉。
★ 该夹紧法兰设计为与燃烧器成一轻微角度,以保证残留的油能流进炉膛。
★ 卡口旋插连接系统使得燃烧头的拆卸异常容易,方便检查维修。
★ 多头电气连接插头(两级式有两个)避免了接线错误。 |
|
| |
|
|
|
| |
|
| |
| |
|
|
| |
★ 先进的外壳设计,保证了进风系统,燃烧装置,不同的电气元件和机械元件都极易检修。
★ 所有电气连接采用插头式连接。
★ 工厂出厂设定提供了初始状态下最佳的参考设定。
★ 精确的风门挡板和燃烧头设定,确保了该燃烧器适应不同的功率要求。
★ 精确的燃烧头设定和风门刻度保证了该燃烧器满足使用者特殊的安装要求。
|
|
| |
|
|
|
| |
|
| |
| |
|
|
| |
高品质,高性能,高效率和可靠性是CUENOD贵诺燃烧器运行舒适性和降低成本的关键。
高品质和最新工艺的贵诺Cuenotherm系列燃烧器能够降低油耗和维修费用,保证您能尽快收回总投资成本。 |
|
| |
|
|
|
|
|
| |
|
| |
|
| |
|
| |
 |
|
 |
|
锅炉前面板开孔 |
 |
| 型号 |
ØD3 |
ØD3 |
C10
C14 |
110至125
125至140 |
140至160
170至185 |
|
|
| |
|
|
| |
注意:该燃烧器可以机体底朝上安装
外型尺寸
烧器的边侧需留有最小0.6m的维修空间。
锅炉房通风
燃烧器最少需要1.2m3/kWh的新鲜空气。 |
|
| |
|
|
|
|
| 型号 |
A |
B |
C |
ØE |
F |
G |
H |
L |
M |
P |
T1 |
T2 |
| C10 |
314 |
175 |
376 |
100 |
263 |
61 |
70 |
185 |
180 |
900 |
103 |
223 |
| C14 |
115 |
220 |
160 |
105 |
225 |
|
|
| |
|
| |
| |
|
|
| |
该燃烧器和外壳一个包装发运,大约25kg ,包括以下内容:
★ 一包安装附件
★ 文件,包括:
-操作手册
-电路图
-锅炉连接法兰
-质量保证书
|
|
| |
|
|
|
|
功率: |
| 功率 |
C10 |
C14 |
| 最小 |
最大 |
最小 |
最大 |
| 燃烧器 (KW) |
60 |
110 |
70 |
150 |
| 最小 每1级 (KW) |
60 |
|
70 |
|
| 锅炉 (KW) |
55,2 |
101,2 |
64,4 |
138,0 |
| 耗油量 |
5,05 |
9,72 |
5,90 |
12,64 |
| 轻油耗油量在10C和粘度9,0cst,热值Hi=11,86(KWh/kg) |
|
|
| |
|
| |
| 油路连接 |
|
H
(m) |
L(m) |
双管
油泵601/h最大 |
| Ø6/8 |
Ø6/10mm |
4
3
2
1
0.5
0
0.
-1
-2
-3
|
17
14
12
10
9
8
7
6
4
-
|
54
47
40
34
31
27
24
21
14
8
|
|
|
| |
|
|
| |
电气连接
|
|
| |
电气系统安装必须符合NF C 15.100标准和其他现行标准和规。
特别注意的是燃烧器的电源主开关必须能够满足总电量的要求,在维修时,必须完全关断电源。
电源接至端子N(中线)和L1(7芯插头上)之间。
将手动安全温控器(或压力开关)与相电源串联。
为安全起见,如果没有中线或是线有阻阻抗,必须使用绝缘变压器和30mA差动电路断路器。该回路必须使用6.3 A延时保险,最小电线传导截面1.5mm2 。
|
|
| |
|
|
|
 |
|
| |
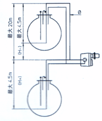
| 海拔高度修正值 |
| 油泵 吸油(H+)或压力(H-) |
| 海拔高度(m) |
H修正值(m) |
| 0-500 |
0 |
| 501-800 |
0.5 |
| 801-1300 |
1.0 |
| 1301-1800 |
1.5 |
| 1801-2200 |
2.0 |
例:海拔1100m,H修正值=1m,H实际=2m。
H吸油修正值后值:2+1=3m
H压力修正值后值:2-1=1m
在表中,根据油箱至油泵的油管长度选择油管直径Ø。
吸油时,若H修正值大于4m,必须使用中间管道泵,但压力不得超过2bar。 |
|
|
| |
|
|
| |
油路连接 |
|
| |
随机提供两根1.15m长的软油管,一根进油,一根回油至油箱。
给油管留有一定裕量,方便安装和移动燃烧器。
C10和C14所使用的燃油在温度10。C时,燃油密度0.84 ,热值11,86kWh/kg。
管道必须经过泄漏检测,根据长度L和进油高度H按表选择相应的管路。
燃油在温度20。C时,燃油密度0.80,海拔500m进长度L包括一个手阀,一个单向阀和四个弯头。
|
|
| |
|
|
|
|
| |
| |
|
|
| |
接线 |
|
| |
单级式,两级式和AGP®燃烧器:
7芯插头
T1和T2端子之间接温度或压力控制开关。
两级式燃烧器:
4芯插头
-T6和T8端子控制“满负荷”或“关”
-T6,和T8端子通过温度或压力控制“满负荷”或“关”。
|
|
| |
|
|
|
|
 |
|
| |