| |
|
|
| |
| |
| |
|
|
|
|
| |
创新技术使得燃烧器更加便于操控
|
|
|
|
| |
中型加热设备中使用的燃烧器必须满足以下五个关键要求:
-简单易于操作,
-运行简便快捷,
-可靠高效的调节设定,
-能量的合理利用,
-污染排放低。
C.20和C.24燃烧器采用了创新的MDE®系统,该技术可以随时查询燃烧器运行参数和启动状态技术细节。 |
|
该燃烧器完全按照欧洲标准EN 267设计研发和生产。
CUENOD贵诺燃烧器严格按照质量认证AFAQISO 9001生产制造
和所有CUENOD贵诺燃烧器一样,C.20和C.24燃烧器获得CE认证,满足各项欧洲相关标准,包括CE锅炉能效标准92/42/EEC。 |
|
| |
|
|
|
|
|
|
 |
|
| |
|
| |
| |
|
|
| |
高效的送风和吸风系统保证了良好的燃烧效果,降低了运行噪音。CUENOD贵诺经过了大量空气动力实验,研发出空气再喷射系统。
该燃烧器应用类似于汽车动力学中的“turbo”技术,在空气的出风口处获得能量,并再次送入吸风系统,这样就提高了送风的风压。
高效的消音设计和保护罩保证了运行的宁静舒适。
这种组合了空气再次喷射系统,新一代贵诺燃烧元器件,调节装置和精良的加工,制造出出色的设备:
★ 消除了震动和波动
★ 减少了启动进的突震和加快了火焰的稳定
★ 增强了燃烧器的预调性
CUENOD贵诺一直致力于火焰的稳定性研究:通过燃烧头进风的平稳分送,获得了极好的效果.
因为进风稳定,火焰根部的形状与稳盘完美匹配,火焰的形状和颜色都达到最佳状态。
这就保证了:
★ 无论应用在何种发热设备,都能有效地降低炉膛阻力,减少烟气损失,提高输出效率。
★ 热效率超过92%。
另外,该燃烧器采用先进的元器件达到最佳运行效果:
★ 在停机时,风门挡板关闭,防止冷风吸入炉膛。
★ 最短化预吹时间。
|
|
| |
|
|
|
|
|
|
| |
|
| |
| |
|
|
|
|
| |
一般的燃烧器无法满足高标准无故障的运行,只有这种两级式燃烧器适用于这种高品质的发热设备。
该两级式燃烧器确保:
★ 即时点
★ 满足安装方的功率要求,
★ 合理利用能量,
|
|
C.20和C.24贵诺两级式燃烧器安装有3个位置的风门伺服电机,第一级,第二级和燃烧停机时的风门关闭位置。
风门设计输出功率和风门开度成比例增大或减小,保障了充分的燃烧和流畅的烟气排放。
|
|
| |
|
|
|
|
|
|
 |
|
| |
|
| |
| |
|
|
| |
★ C.20和C.24燃烧器通过一个夹紧法兰安装于锅炉前面板,适合新锅炉和已有的锅炉。
★ 该夹紧法兰设计为与燃烧器成一轻微角度,以保证残留的油能流进炉膛。
★ 燃烧头的伸出长度可以调整以适应不同的锅炉炉膛。
★ 多头电气连接插头避免了接线错误。 |
|
| |
|
|
|
| |
|
| |
| |
|
|
| |
★先进的外壳设计,保证了进风系统,燃烧装置,不同的电气元件和机械元件都极易检修。
★所有电气连接采用插头式连接。
★工厂出厂设定提供了初始状态下最佳的参考设定。
★精确的风门挡板和燃烧头设定和风门刻度保证了该燃烧器满足使用者特殊的安装要求。 |
|
| |
|
|
|
| |
|
| |
| |
|
|
| |
运行参数记录:
该燃烧器装有创新的运行系统,可以随时查看运行记录。
该系统提供两种类型参数:
1-“既时”信息
-燃烧器启动周期
-供电测量值
-火焰信号测量值
2“-储存”信息
-燃烧器运行参数,包括总运行时间
-使用程序状况
这些信息,即时可以查看,可以通过装有CUENOCOM软件的手提电脑读取信息,然后这些信息可以发送到运行系统中,便于维护。 |
|
| |
|
|
|
|
|
|
|
| |
|
| |
|
| |
|
| |
|
| 锅炉前面板开孔 |
|
 |
|
 |
|
|
| |
|
| |
| |
|
|
| |
该燃烧器和外壳一个包装发运,大约25kg ,包括以下内容:
★ 一包安装附件
★ 锅炉连接法兰
★ 文件,包括:
-操作手册
-电路图
-油路系统图
-质量保证书
-燃烧器底朝上安装时所用的贴牌
|
|
| |
|
|
|
|
功率 |
| |
C.20单级式 |
C.24单级式 |
C.24两级式 |
| 最小 |
最大 |
最小 |
最大 |
最小 |
最大 |
燃烧器 kW
最小 第1级 kW
锅炉 kW |
100
/
92 |
200
/
184 |
160
/
147.2
|
240
/
220.8 |
120
85
110 |
240
/
220.9 |
|
| 锅炉功率按热效率为92%计算,仅供参考。 |
| |
|
| |
|
| |
 |
| 海拔高度:500米 |
| |
| 海拔高度校正:允许管道长度必须按下表减少: |
| 海拔 |
Ø6/8 |
Ø8/10 |
1000m
1500m
2000m
2500m |
0.50m
1.00m
1.25m
1.50m |
1.00m
2.00m
3.00m
3.50m |
|
| 在燃烧器周围留有足够维修空间。 |
|
|
高度H
米 |
长度L
米 |
1.5
1
0.5
0
-0.5
-1
-1.5
-2
-2.5
-3 |
Ø6/8 |
Ø8/10 |
11
10
9
8
7
6.5
5.5
5 |
20
18
16
14
12
11
10
8.5
7
6 |
|
| |
| |
|
|
| |
油路连接 |
|
| |
随机提供两根1.15m长的软油管,一根进油,一根回油至油箱。
给油管留有一定裕量,方便安装和移动燃烧器。
C.20-C.24所使用的燃油在温度10。C时,燃油密度0.84 ,热值11,86kWh/kg。
管道必须经过泄漏检测,根据长度L和进油高度H按表选择相应的管路。
燃油在温度20。C时,燃油密度0.80,海拔500m进长度L包括一个手阀,一个单向阀和四个弯头。
|
|
| |
|
|
|
|
|
| 举例: |
| 计算燃烧器油量 |
已知锅炉功率(O)和热效率(E),以下公式用来计算燃烧器功率:
|
|
Ob:燃烧器功率kW
O:锅炉功率kW
E:锅炉热效率(%) |
耗油量计算:
|
Qb:燃烧器耗油量kg/h。
燃油热值NVC:11.86KWh/kg |
|
如:C.20 Qb=25.3kg/h
该燃烧器设计燃油粘度小于9.0cSt。
安装请务必按照当地法规和DTU 65-4相关法规条例进行。 |
|
|
| |
|
| |
| C.20-C.24 单级式 |
 |
| C.20-C.24 两级式 |
 |
|
|
| |
锅炉房通风
|
|
| |
燃烧器最少需要1.2m3/kWh的新鲜空气。 |
|
| |
|
|
| |
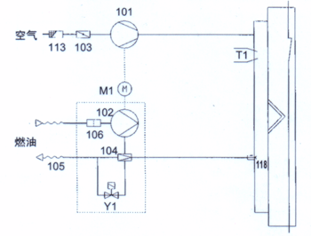
系统图
说明:
M1 燃烧器电机
T1 点火变压器
Y1 一级火电磁阀
T5 二级火电磁阀
Y10 伺服电机
101 风机
102 油泵
103 风门挡板
104 压力调节
105 软油管
106 过滤器
113 进风栅格
118 喷嘴 |
|
| |
|
|
|
|
| |
|
| |
| |
|
|
|
|
|
|
| |
电气系统安装必须符合NF C 15.100标准和其他现行标准和规范。
特别注意的是燃烧器的电源开关必须能够满足总电量的要求,在维修关断时,必须完全绝缘。
|
|
电源接至端子N(中线)和L1(7芯插头上)之间。
将手动安全温控器(或压力开关)与相电源串联。
|
|
为安全起见,如果没有中线或中线有阻抗,必须使用绝缘变压器和30mA的差动电路断路器。该回路必须使用6.3A延时保险,最小电线传导截面1.5mm2。
|
|
| |
|
|
|
|
|
|
|
| |
|
| |
| |
|
|
|
|
| |
单级式燃烧器
只有一个流量功率。
根据燃烧负荷要求,通过燃烧器的点火和停机来调节负荷“满负荷”和“关”
|
|
两级式燃烧器
有两个流量功率。
可以调节:
-“满负荷”或“关”,在负荷输出增多时,可以有两级功率来避免频繁启动。
-“满负荷”或“低负荷”,在负荷输出很小时,采用低负荷输出。
|
|
| |
|
|
|
|
|
| |
|
| |
| |
|
|
| |
单级式,两级式和AGP®燃烧器:
7芯插头。
T1和T2端子之间接温度或压力控制开关。
两级式燃烧器:
4芯插头。
-T6和T8端子控制“满负荷”或“关”。
-T6,T7和T8端子通过温度或压力控制接上两位接触器控制“满负荷”或“低负荷”。
|
|
| |
|
|
|
|
 |
|
| |