| |
 |
| |
|
| |
|
| |
| |
|
|
燃烧器C.280到C.430适用于"中等功率":设备上。这是CENOD贵诺燃烧器在民用和工业领域大功率燃烧器
经验和技术的应用。
C280到C430低氮氧化合物燃烧器输出功率和其他性能同标准燃烧器输出功率和其他性能同标准燃烧器一样。
C280到C430燃气燃烧器配置了AGP系统(空气-燃气比例控制)和IME系统(多级喷射。)通过空气信号,此类燃烧器可提供两级渐进控制或者选装PID电子调节仪实现比例控制,有效减少了污染排放(Low NOx低氮氧化合物)。CUENOD贵诺在这一领域已经研发了1800-4600KW功率范围的燃烧器。 |
| |
|
| |
|
| |
| |
|
|
CUENOD贵诺发展和完善的AGP系统已经成为燃气燃烧中的专利技术。此项技术用于我们中型和高功率燃烧器上。
使用此项技术的燃烧器可保证:
● 完全稳定的空气-燃气混合。
● 所有的燃烧器在任何输出功率燃烧均可达到到很高的
连接的CO2比例
● 精确控制过量空气,完美运用于半信半疑发热装置。
AGP系统还可自动修正以下状况:
● 燃气正负压力波动。
● 根据燃烧器背压变化而改变的输出功率,特别在点火 期间 |
| |
|
|
| |
| |
|
| |

|
| |
|
|
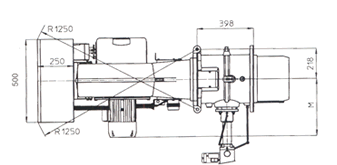
燃烧器可以用于正压或负压燃烧室的燃烧装置,有两个不同尺寸燃烧头可选。根据不同的燃气热值正确调整燃烧头,此燃烧器可适用于不同的燃气。
C.285 G 1800-2850kW
最小,第1级:500kW
C.330 G 2100-3800kW
最小,第1级:500kW
C.380 G 2400-4100kW
最小,第1级:600kW
C.430 G 2800-4600kW
最小,第1级:700kW
特点:
全自动关风挡板伺服马达(30秒90°)
程控器: LFL 1.333
火焰检测:电离探针
|
| |
|
| |
|
| |
|
| |
|
| |
| |
|
|
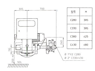
燃烧器包装成三件,托盘运输,重量根据型号平均在120和370公斤。
燃烧器本体:
锅炉连接法兰,
随机文件,包括:
-操作手册
-电路图
-质量证明
燃烧头:
螺栓和锅炉连接附在燃烧头的一个袋中。
|
| |
|
|
| |
|
| |
|
| |
| |
|
|
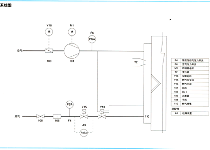
燃气:
除去调压站的影响后,供气管设计需保证管阻损失不超过5-10mbar。
供气管路直径必须大于过滤器直径。
以下数据显示在15℃和1013mbar状态下燃烧器最大输出功率的标准流量。
出厂前组合阀,过滤器,压力开关等已经组装,预先接线并通过检测。 |
| |
|
| |
燃气种类 |
C.285
DN 50/ DN 65
|
C.330
DN 50/ DN 80
|
C.380
DN 50/ DN 65
|
C.430
DN 50/ DN 65 |
| 天然气Hm ⒊/h |
250 |
335 |
360 |
410 |
| 天燃气Lm ⒊/h |
295 |
390 |
420 |
475 |
| 液化石油气 kg/h |
220 |
290 |
315 |
365 |
|
| |
|
| |
|
| |
| |
|
|
电气系统安装必须符合NF C 15.100标准和其它现行标准和规范。
特别注意的是燃烧器的电源主开关必须能够满足总电量的要求,在维修时,必须完全关断电源。
电源连接:
见“电源接线”图。
-控制电路:电源接至端子N(中线)和L10(相线)之间。为安全起见,当使用230V三相电源,如果没有中线或中线阻抗必须使用绝缘变压器和30mA的差动电路断路器
此回路必须用10A保险丝保护。
-动力电路:端子L1,L2和L3,必须用AM保险丝保护,如表所示。
控制电路连接(在调试前):
见“控制接线”图
|
| |
|
|
| |
|
| |
|
| |
| |
燃烧器 |
C.285 |
C.330 |
C.380 |
C.430 |
电机 |
功率 |
W |
4 |
4 |
5,5 |
11 |
风机 |
保险A |
400V |
16 |
16 |
16 |
25 |
230V |
20 |
20 |
25 |
40 |
|
| |
|
| |
|
| |
| |
|
|
AGP燃气燃烧器:
启动后(约15%流量),输出功率渐进提高,输出两种不同流量。
可调整为:
●“满负荷”和“低负荷”:此设定是APG系统特有优点,通过降低负荷节约能源。
●“比例调节”:燃烧器输出功率需求决定,提供了宽广范围的先进功能给发热设备。
-根据环境状况调节发热设备输出温度。
-调节发热设备输出温度满足现有设定。
-根据发热设输出温度满足设备使用中所需的持续的或变化的温度,通过AGP系统调节燃烧器。
-平行调节多个发热器设备以后适应逐渐减少的或持续的温度需求。
-联合调节燃烧器,泵组和锅炉而得到持续的,变化的等所要求的温度 |
| |
|
| |
|
| |
| |
|
|
● 使用温控器(压力开关):使用三线接触达到“满负荷”和
低负荷流量
● 使用电子负荷调节器实现“比例式”带导线由两部分组成
方便安装使用。安装在电控箱内,在控制面板右侧。更多
细节请参考相关手册
|
| |
|
|
| |
|
| |
|
| |
| |
|
|
电控柜说明:
该电控柜适用于CUENOD贵诺单体或分体中高功率燃烧器上。可以远程控制动行,该电控柜极好适应各种加热设备,设计简便,可操作性和可视性极佳。
所有燃烧器提供标准远程控制系统。可选择安装远程信息设备
电气端子排
-左侧:
内部排线
-中间:
(红色端子)
低压电气连接,控制等。
-右侧:
外部接线
三相电源3*400V或3*240V
|
| |
|
|
| |
| |
|
|
标准供货
● IP44电控柜
-500*500*250
● 程控器
● 电机接触器
● 自动动行开关
● 控制面板和现场指示装置
● 远程控制接线
● 电子负荷调节器接线
● 积时器(见前页)
● 远程控制预在燃烧器上预先串连接线,
可用来控制燃烧器开和关
|
选择件:
电子负荷调节器:
带预先接好的电缆和安装于控制面板
右侧的连杆和螺钉。
拆卸下控制面板:
用于远程信号的单柱两位开关的4个开。
关端子
特殊用途:
请向我们咨询
|
| |
|