中国燃气设备网
  首 页 公司招聘 企业名录 企业之窗 联系我们
优 质、 服 务 、信 用 !经营单位:深圳亚威华公司 销售部电话:0755-25887166,25887236 传真:25887232
 
 
 产品特点
 
 
 
中型加热设备中使用的燃烧器必须满足以下五个关健要求:
 ● 简单易于操作
 ● 运行简便快捷
 ● 可靠高效的调节设定
 ● 能量的合理利用
 ● 污染排放低。
  C.43和C.54燃烧器采用了创新的MDE系统,该技术可以随
时查询燃烧器运行参数和启动状态技术细节。该燃烧器完全
按照欧洲标准EN 267设计研发和生产。CUENOD贵诺燃烧器严
格按照质量认证AFAQ ISO 9001生产制造。和所有CUE NOD贵
诺燃烧器一样,C.43和C.54燃烧器获得认证,满足各项欧洲
相关标准,包括锅炉能效标准92/42/EEC。
 
 
 完美的性能
 
     
 高效的送风和吸风系统保证了良好的燃烧效果,降低了运行噪音CUE能NOD贵诺经过大量空气动力实验,研发出空气再喷射系统。该燃烧器应用类似于汽车动力学中的:tu rbo"技术,在空气的出风口处获得能量,并再次送入吸风系统,这样就提高了送风的风压。高效的消音设计和保护外罩保证了运行的宁静舒适。这种
组合了空气再次喷射系统,新一代贵诺燃烧元器件,调节装置和
精良的加工,制造出出色的设备:
 ● 消除了震动和波动
 ● 减少了启动时的突震和加快了火焰的稳定
 ● 增强了燃烧的稳定性
CUENCOD贵诺一直致力于火焰的稳定性研究:通过燃烧头进风的平稳分送、获得了极好状态。这就保证了:
 ● 无论应用在何种发热设备,都能有效地降低炉膛阻力,
   减少烟气损失,提高输出效率。
 ● 热效率超过92%  
另外,该燃烧器采用先进的元器件达到最佳动行效果:
 ● 停机时,风门挡板关闭,防止冷风吸入炉膛。
 ● 最短预吹扫时间。
 




 
 
 性能
 
     
 一般的燃烧器无法满足高标准无故障的动行,只有这种两级式燃烧器适用于这种高品质
的发热设备。该两级式燃烧器确保:
 ● 即时点火
 ● 满足安装方的功率要求
 ● 合理利用能量
  该贵诺两级式燃烧器安装有3个位置的风门伺服电机,第一级,第二级和燃烧器停机时
的风门关闭位置。风门设计为输出功率和风门开度成比例增大或减小,保障了充分的燃烧
物流畅的烟气排放。
 
 
     
调试方便:
 ● 燃烧器通过一个夹紧法兰安装于锅炉前面
   板,适合新锅炉和已有的锅炉。
 ● 该夹紧法兰设计为与燃烧器成一轻微角度,
   以保证残留的油能流进炉膛。
 ● 燃烧头的伸出长度可以调整以适应不同的锅炉膛。
 ● 多头电器连接插头,避免了接线错误。
最佳效果: 
 ● 先进的外壳,保证了进风系统,燃烧装置,不同的电
   气元件和机械元件都极易检修
 ● 所有电气连接采用插头式连接。
 ● 工厂出厂设定提供了初始状态下最佳的参考设定。
 ● 精确的燃烧头设定的风门刻度保证了该燃烧器满足
   使用者特殊的安装要求。
 
 
     
MDE系统:
该燃烧器装有创新的系统,可以随时查看运行记录:
该系统提供两种类型参数:
  1 即时信息
  -
燃烧器启动周期
  - 供电测量值
  - 火焰信号测量值

  2 储存信息
  - 燃烧器运行参数,包括总动行时间
   -使用程序状况

 这些信息,即时可以查看,可以通过装有CUENOCOM软件的手提电
脑读取信息,然后这些信息可以发送到运行系统中便于维护。
 
 
 包装
 
     
该燃烧器分成两个包装发运,大约40kg,包括以下内容:

燃烧器机身:
-组合电气机架
-锅炉连接法兰
-文件,包括:
  -操行手册
  -电路油路系统图
  -质量保证书

油路连接:
 -两根1.15带接头的软油管
 - C.43燃烧器:
  油泵和喷嘴杆之间的一根连接管
 
















 外型尺寸
 
 
 功率
 
功率
C.43
C.54
最大
最小
最大
最小
 燃烧器     kW
260
430
300
540
 最小 第1级   kW
190
/
210
/
 锅炉      kW
240
395
275
500
 
 油路连接
 
     
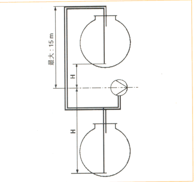
 确随机提供两根1.15长的软油管,一根进油,一根回油至油箱。给油管留有一定的裕
量,方便安装和移动燃烧器。所使用的燃油在温度10℃时,燃油密度0.84热油粘度低于
9.0cSt。管道必须经过泄漏检测,根据长度L和进油高度H按表选择相应的管路。长度L
包括1个手阀,一个单向阀和四个弯头。
 
 
 
海拔高度修正值
油泵 吸油(H+)或压力(H-)
海拔高度(m)
H修正值(m)
0-500
0
501-800
0.5
801-1300
1.0
1301-1800
1.5
1801-2200
2.0
例:海拨1100m,H修正值=1m,H实际=2m。
H吸油修正后值  2+1=3m
H压力修正后值  2-1=1m
在油管长度表中,根据油箱至油泵的油管长度选择
油管直径Ф。吸油时,若H修正后值大于4m,必须使
用中间管道泵,但压力不得超过2bar。
修正后
高度
H
(m)
双油管安装长度L(M)
C.43-C.54
Ф(mm)
10/12
12/14
14/16
4,0
51
83
83
3,0
45
83
83
2,0
88
82
83
1,0
32
69
83
+0,5
29
62
83
0
26
56
83
-0,5
22
49
72
-1,0
19
42
70
-2,0
13
29
55
-3,0
6
16
31
 
 系统图
 说明

 M1燃烧器电机
 T1点火变压器
 Y1一级火电磁阀
 Y2二级火电磁阀
 Y10伺服电机
 101风机
 102油泵
 103风门挡板
 104压力调节
 105软油管
 106过滤器
 113进风栅格
 118喷嘴
 
 
     
电气连接:
 电气系统安装必须符合NF C 15.100标准和其他现行标准和规范。
特别注意的是燃烧器的电源主开关必须能够满足总电量的要求,在维修关断时,必须完全绝缘。
电路连接:
  电源接至端子N(中线)和L1(7芯插头上)之间。将手动安全温控器(或压力开关)与相电源串联。为安全起见,如果没有中线或中线有阻抗,必须使用绝缘变压器和30mA的差动电路断路器。该回路必须使用6.3A延时保险,最小电线传导截面1.5mm⒉

功率调节:
运行
两级式燃烧器
 -
满负荷或关,在负荷输出增多时,可以有两级功率
  不定期避免频繁启动。
 - 满负荷或低负荷,在负荷输出很小时,采用低负苛输出。

接线
 7芯插头
 T1和T2端子之间接温度或压力控制开关。
 4芯插头
- T6和T8端子通过温度或压力控制接上两位接触器控制“满负荷”
 或“低负荷”
 


公司简介 | 人才招聘 | 联系方法 | 请您留言 | 友情链接 | ENGLISH
销售部:0755-25887166 / 236 / 548 / 521 / 237
中国燃气设备网 ccgas.net 2000.版权所有 深圳亚威华公司
如您有任何意见或建议请联络网站管理员: ywh1995@126.com