首 页 公司招聘 企业名录 企业之窗 联系我们
优 质、 服 务 、信 用 !经营单位:深圳亚威华公司 销售部电话:0755-25887166,25887236 传真:25887232
 
 
 
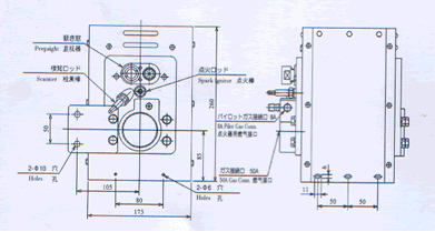
 特点:
 
   


  燃烧安定应用范围广。
  点火器结构简单,动作可靠。
  主燃烧部分能进行高低关控制
  设计有安全可靠的火焰检测器
  设计 有2MM厚的高强度空气反射板
  箱体采用强度高的不锈刚材料
  与本公司以前的产品相比重量更轻,
  安装更容易
 主要用途:
  烘烤炉
  干燥炉
  加热炉
  脱臭处理
  其他需要热风处理的地方

 

     
 
 用安装上的注意事项 :
 
     
 


 标准燃烧时燃气 的供给压力:液化石油气: 2.8kpa
 天燃气:2.0lkpa
 燃烧空气量: 130N
 母炎发热量: 11.6KW
 标准燃烧时可视炎焰长度:1000mm
 通过燃烧器管道内网速:5--20m/s
 管道内压: -0.5--0.5kpa


 管道内压: -0.5-0kpa
 燃烧器后部的温度上限: 350℃
 燃烧器前部的温度上限:800℃
 燃烧器必须安装在管道的中央部
 通过燃烧器的网速必须均等
 燃烧器和管道的间距以及燃烧 器这间的间距必须保持在
 100mm以上
 
 
 DCM--10
 
 
 DCM-20.30
 
 
 
公司简介 | 人才招聘 | 联系方法 | 请您留言 | 友情链接 | ENGLISH
销售部:0755-25887166 / 236 / 548 / 521 / 237
中国燃气设备网 ccgas.net 2000.版权所有 深圳亚威华公司
如您有任何意见或建议请联络网站管理员: ywh1995@126.com