中国燃气设备网
  首 页 公司招聘 企业名录 企业之窗 联系我们
优 质、 服 务 、信 用 !经营单位:深圳亚威华公司 销售部电话:0755-25887166,25887236 传真:25887232
 
 
 规范
 
 
 
公称通径:DN 25mm
公称压力:PN 4.0MPa
适用介质:LNG专用
适用温度:-196℃+75℃
 
 
 材质
 
体、阀盖:0Cr18Ni9(304)
阀杆:0Cr18Ni9Ti
密封形式:三通球阀软密封,PFA
安全阀:全启式平面密封
 

 
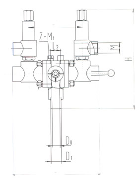
 外形与安装连接尺寸
 
产品代号
尺         寸(mm)
重量(kg)
DN
D
D0
D1
D2
D3
H
H1
L
L1
206DA15
15
130
100
15
18.5
26
485
185
65
8
9.5
206DA20
20
130
100
20
25.5
32
500
200
80
8
10.5
206DA25
25
130
100
25
32.5
39
500
200
80
8
11.2
206DA32
32
160
120
32
38.5
45
590
250
100
8
27
206DA40
40
160
120
40
45.5
52
590
250
100
8
29
206DA50
50
206
180
50
57.5
66
645
250
160
15
44
206DA65
65
206
180
65
70.5
78
645
250
180
15
47
206DA80
80
306
180
80
89.5
98
800
320
200
15
50
206DA100
100
346
180
100
108.5
118
850
350
220
15
55
 
公司简介 | 人才招聘 | 联系方法 | 请您留言 | 友情链接 | ENGLISH
销售部:0755-25887166 / 236 / 548 / 521 / 237
中国燃气设备网 ccgas.net 2000.版权所有 深圳亚威华公司
如您有任何意见或建议请联络网站管理员: ywh1995@126.com