
 |
|
|
 |
 |
 |
|
 |
|
用途:适用过热蒸气,高温油,热水 ,水 ,空气等,广泛应用于蒸汽加热器、干燥器、石油化工、制药、食品、水泥制品和环保等部门的自控系统。
本阀有受蒸汽冷凝水影响
介质流体温度可达2200C
主阀芯采用特种材料,耐磨损
阀芯利用流体润滑作用,减少磨损
本阀采用先导式结构 适用于大口径系列 |
 |
 |
 |
 |
 |
 |
技术参数:
| 参数\型号 |
ZCZP-1 |
ZCZP-2 |
| 工作介质 |
常温液体、气体等 |
高温液体、汽体 |
| 介质温度 |
<=60 |
<=220 |
| 工作压力(Mpa) |
0.05-1.6 |
0.1-1.6 |
| 工称压力(Mpa) |
1.6 |
| 电源电压 |
|
| 公称通径(mm) |
15 |
20 |
25 |
32 |
40 |
50 |
65 |
80 |
100 |
125 |
150 |
使用寿命
流量系数(KV) |
按JB/T7352-94规定 |
| 泄漏量(ml/min) |
按JB/T7352-94.F规定 |
| 功耗 |
50VA |
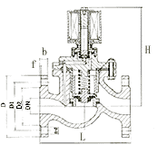
安装尺寸:
公称通径
DN |
内螺纹连接 |
法兰连接 |
| 外型尺寸 |
内螺纹 |
外形尺寸 |
法兰尺寸 |
| H |
L |
G |
H |
L |
D |
D1 |
D2 |
n-d |
b |
f |
| 15 |
148 |
92 |
1/2 |
176 |
130 |
95 |
65 |
46 |
4-14 |
14 |
2 |
| 20 |
148 |
92 |
3/4 |
181 |
150 |
105 |
75 |
56 |
4-14 |
16 |
2 |
| 25 |
148 |
110 |
1 |
210 |
160 |
115 |
85 |
65 |
4-14 |
16 |
3 |
| 32 |
182 |
120 |
11/2 |
221 |
180 |
140 |
100 |
76 |
4-18 |
18 |
3 |
| 40 |
182 |
140 |
13/4 |
230 |
200 |
150 |
110 |
84 |
4-18 |
18 |
3 |
| 50 |
192 |
162 |
2 |
252 |
230 |
165 |
125 |
99 |
4-18 |
20 |
3 |
| 65 |
|
265 |
290 |
185 |
145 |
118 |
4-18 |
20 |
3 |
| 80 |
|
276 |
310 |
200 |
160 |
132 |
8-18 |
20 |
3 |
| 100 |
|
373 |
350 |
220 |
180 |
156 |
8-18 |
22 |
3 |
| 125 |
|
416 |
400 |
250 |
210 |
184 |
8-18 |
22 |
3 |
| 150 |
|
400 |
480 |
285 |
240 |
211 |
8-22 |
24 |
3 |
特殊供货:通酸碱介质可选用ZCS-P全不锈钢阀体,尺寸、技术参数通ZCS型、需要公称压力1.6Mpa可在订货时提出
|